SC2FA – Stavový regulátor systému 2. řádu s autotunerem

Symbol blokuPotřebná licence: AUTOTUNING
PIC

Popis funkce
Funkční blok SC2FA realizuje stavový regulátor pro systém druhého řádu (7.4) s frekvenčním autotunerem. Je vhodný především pro aktivní řízení (zatlumení) kmitavých systémů s velmi slabým tlumením (ξ < 0,1). Může však být použit též jako samonastavující se regulátor pro libovolný systém, který lze s dostatečnou přesností popsat přenosem ve tvaru

F(s) = b1s + b0 s2 + 2ξΩs + Ω2, (7.4)

kde Ω > 0 je přirozená (netlumená) frekvence, ξ, 0 < ξ < 1, je koeficient tlumení a b1, b0 jsou libovolná reálná čísla. Blok pracuje ve dvou režimech, v režimu Identifikace a návrhu a v režimu Regulace.

Režim „Identifikace a návrhu“ ze zapíná nastavením binárního vstupu ID = on. Vlastní proces identifikace a návrhu se spouští náběžnou hranou vstupu RUN. Na výstupu bloku mv se poté objeví budící harmonický signál se stejnoměrnou složkou ubias, amplitudou uamp a frekvencí ω postupně probíhající interval wb,wf. Aktuální frekvence ω je přitom kopírována na výstup w. Rychlost změny (rozmítání) frekvence je dána parametrem cp, který udává relativní zmenšení počáteční periody Tb = 2π wb budící sinusovky za čas Tb, tedy

cp = wb ω(Tb) = wb wbeγTb = eγTb . (7.5)

Hodnota parametru cp se obvykle pohybuje v intervalu cp 0,95;1). Čím menší je koeficient tlumení řízeného systému, tím více se musí cp blížit k jedné.

Identifikace systému se spouští náběžnou hranou vstupu RUN zároveň s generátorem budícího signálu se startovací frekvencí ω = wb. Po uplynutí stime se startuje výpočet odhadu aktuálního bodu frekvenční charakteristiky. Jeho reálná a imaginární část se průběžně kopíruje po řadě na výstupy xre a xim. Je-li parametr bloku MANF nastaven na 0, potom se v procesu identifikace dvakrát zastaví rozmítání frekvence na dobu stime a to v okamžicích, kdy jsou poprvé dosaženy body s fázovým zpožděním ph1 a ph2. Přednastavené hodnoty parametrů ph1 a ph2 jsou po řadě 60 a 120 a mohou být změněny na libovolné hodnoty v intervalu (360,0), přičemž ph1 > ph2. Po uplynutí stime sekund při zastavení ve fázi ph1, resp. ph2 se spočítá průměr posledních iavg naměřených bodů (průměrováním tedy získáme odhad příslušného bodu frekvenční charakteristiky) pro následný výpočet parametrického modelu ve tvaru (7.4). Je-li MANF = on, potom je možné provést „navzorkování“ dvou bodů frekvenční charakteristiky ručně pomocí vstupu HLD. Vstup HLD = on zastaví rozmítání frekvence a opětovné nastavení HLD = off vede k jeho pokračování. Ostatní funkce jsou identické.

V případě potřeby je možné proces identifikace přerušit vstupem BRK = on. Jsou-li již v tomto okamžiku oba dva body pro parametrickou identifikaci určeny, pokračuje se v návrhu regulátoru normálním způsobem. V opačném případě je proces ukončen bez návrhu regulátoru a výstup IDE = on signalizuje chybu.

Během vlastní „identifikace a návrhu“ je výstup IDBSY nastaven na 1. Po skončení je shozen na 0. Při bezchybném návrhu regulátoru je výstup IDE = off a výstup iIDE signalizuje jednotlivé fáze identifikačního experimentu. Přibližování k prvnímu bodu je iIDE = 1, zastavení v prvním bodě iIDE = 1, přibližování k druhému bodu je iIDE = 2, zastavení v druhém bodě iIDE = 2 a poslední fáze po zastavení v druhém bodě je iIDE = 3. Jestliže identifikace skončí s chybou, pak je IDE = on a číslo na výstupu iIDE specifikuje příslušnou chybu.

Vypočtené parametry stavového regulátoru jsou instalovány okamžitě do algoritmu řízení, jestliže vstup SETC je trvale nastaven na on. V opačném případě se provede nastavení parametrů až po ukončení návrhu na náběžnou hranu vstupu SETC. Výsledky parametrické identifikace a návrhu stavového regulátoru je možné získat na výstupech p1, p2, …, p6 vhodným nastavením vstupu ips. Náběžná hrana na vstupu MFR po skončení identifikace (IDBSY = off) odstartuje generování frekvenční charakteristiky získaného parametrického modelu na výstupech w, xre, xim. Takto je možno porovnat její průběh s „přímo odměřenou“ frekvenční charakteristikou systému.

V režimu „regulace“ (binární vstup ID = off) může regulátor pracovat v manuálním módu (MAN = on) nebo v automatickém módu. Jestliže je blok regulátoru spuštěn (při studeném startu) s hodnotou vstupu ID = off, potom se předpokládá, že zadané parametry bloku mb0, mb1, ma0 a ma1 odpovídají dříve určeným koeficientům b0, b1 , a0 a a1 přenosu řízeného systému a automaticky proběhne návrh stavového regulátoru. Je-li regulátor navíc v automatickém módu a SETC = on, potom zákon řízení od počátku využívá nově navržené parametry. Takto lze vypustit identifikaci při opakovaném spuštění bloku.

PIC

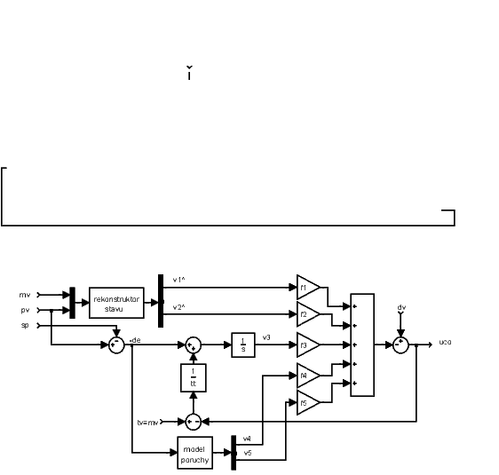
Na výše uvedeném obrázku je zjednodušené vnitřní schéma samonastavujícího se stavového regulátoru, část frekvenční identifikace. Na spodním obrázku je stavová zpětná vazba s rekonstruktorem stavu a ošetřením unášení integrační složky. Na obrázku není znázorněna skutečnost, že blok návrhu regulátoru v části frekvenční identifikace automaticky nastaví parametry rekonstruktoru stavu a koeficienty f1, f2, …, f5 stavové zpětné vazby.

PIC

Model řízeného systému je brán jako systém 2. řádu s přenosem ve tvaru (7.4). Jednoduchými úpravami lze dojít k přenosům

F(s) = (b1s + b0) s2 + a1s + a0 (7.6)

a

F(s) = K0Ω2(τs + 1) s2 + 2ξΩs + Ω2. (7.7)

Parametry těchto přenosů je možné po skončení identifikace přečíst z výstupů p1,…,p6. Význam těchto výstupů se mění při změně vstupu ips, avšak pouze pokud neběží identifikace (tedy IDBSY = off).

Vstupy

dv

Proměnná dopředné vazby

Double (F64)

sp

Požadovaná hodnota (setpoint)

Double (F64)

pv

Řízená veličina

Double (F64)

tv

Veličina pro vysledování

Double (F64)

hv

Hodnota výstupu v manuálním režimu

Double (F64)

MAN

Manuální nebo automatický režim

Bool

off ..

automatický režim

on ...

manuální režim

ID

Režim identifikace nebo regulace

Bool

off ..

režim regulátoru

on ...

režim identifikace a návrhu

TUNE

Zahájení ladicího experimentu, start generátor harmonického budicího signálu (off on)

Bool

HLD

Zastavení rozmítání frekvence

Bool

BRK

Signál pro přerušení identifikačního experimentu

Bool

SETC

Přijmutí a nastavení parametrů regulátoru

Bool

off ..

parametry jsou pouze vypočítány

on ...

parametry jsou přijaty ihned po vypočtení

off on 

jednorázové přijetí vypočtených parametrů

ips

Význam výstupních signálů

Long (I32)

0 ....

Dva body frekvenční charakteristiky v komplexní rovině

p1 … frekvence 1. změřeného bodu v rad/s

p2 … reálná část 1. bodu

p3 … imaginární část 1. bodu

p4 … frekvence 2. změřeného bodu v rad/s

p5 … reálná část 2. bodu

p6 … imaginární část 2. bodu

1 ....

Model druhého řádu ve tvaru (7.6)

p1 … parametr b1

p2 … parametr b0

p3 … parametr a1

p4 … parametr a0

2 ....

Model druhého řádu ve tvaru (7.7)

p1 … parametr K0

p2 … parametr τ

p3 … parametr Ω v rad/s

p4 … parametr ξ

p5 … parametr Ω v Hz

p6 … rezonanční frekvence modelu v Hz

3 ....

Parametry stavové zpětné vazby

p1 … parametr f1

p2 … parametr f2

p3 … parametr f3

p4 … parametr f4

p5 … parametr f5

MFR

Generování frekvenční charakteristiky modelu na výstupy w, xre a xim (off on spouští generování)

Bool

Výstupy

mv

Akční zásah regulátoru (manipulated variable)

Double (F64)

de

Regulační odchylka

Double (F64)

SAT

Saturace

Bool

off ..

lineární zákon řízení

on ...

výstup regulátoru je saturován

IDBSY

Příznak probíhající identifikace

Bool

off ..

identifikace neprobíhá

on ...

běží identifikační experiment

w

Odhad bodu frekvenční charakteristiky - frekvence v rad/s

Double (F64)

xre

Odhad bodu frekvenční charakteristiky - reálná část

Double (F64)

xim

Odhad bodu frekvenční charakteristiky - imaginární část

Double (F64)

epv

Rekonstruovaný signál pv (pro účely ručního ladění rekonstruktoru)

Double (F64)

IDE

Příznak chyby identifikace

Bool

off ..

identifikace proběhla v pořádku

on ...

identifikace skončila s chybou

iIDE

Kód chyby

Long (I32)

101 ..

vzorkovací frekvence je příliš nízká

102 ..

chyba identifikace jednoho nebo dvou bodů frekvenční charakteristiky

103 ..

saturace výstupu během identifikace

104 ..

je zadán nebo spočten nesprávný model procesu

p1..p6

Výsledky identifikace a návrhu regulátoru

Double (F64)

Parametry

ubias

Stejnosměrná složka budicího harmonického signálu

Double (F64)

uamp

Amplituda budicího harmonického signálu  1.0

Double (F64)

wb

Počátek frekvenčního intervalu [rad/s]  1.0

Double (F64)

wf

Konec frekvenčního intervalu [rad/s]  10.0

Double (F64)

isweep

Způsob rozmítání frekvence  1

Long (I32)

1 ....

logaritmické

2 ....

lineární (zatím není implementováno)

cp

Rychlost rozmítání   0.5  1.0 0.995

Double (F64)

iavg

Počet vzorků pro průměrování  10

Long (I32)

alpha

Relativní poloha pólů rekonstruktoru (ve fázi identifikace)  2.0

Double (F64)

xi

Koeficient tlumení rekonstruktoru (ve fázi identifikace)  0.707

Double (F64)

MANF

Ruční výběr bodů frekvenční charakteristiky

Bool

off ..

zakázáno

on ...

povoleno

ph1

Fázové zpoždění prvního bodu ve stupních  -60.0

Double (F64)

ph2

Fázové zpoždění druhého bodu ve stupních  -120.0

Double (F64)

stime

Doba ustáleni [s]  10.0

Double (F64)

ralpha

Relativní poloha pólů rekonstruktoru  4.0

Double (F64)

rxi

Koeficient tlumení rekonstruktoru  0.707

Double (F64)

acl1

Relativní poloha 1. dvojice pólů uzavřené smyčky  1.0

Double (F64)

xicl1

Tlumení 1. dvojice pólů uzavřené smyčky  0.707

Double (F64)

INTGF

Příznak rozšíření o integrátor  on

Bool

off ..

stavový model neobsahuje integrátor

on ...

integrátor je zahrnut ve stavovém modelu

apcl

Relativní poloha reálného pólu  1.0

Double (F64)

DISF

Příznak rozšíření o model poruchy

Bool

off ..

stavový model neobsahuje model poruchy

on ...

model poruchy je zahrnut ve stavovém modelu

dom

Přirozená frekvence modelu poruchy  1.0

Double (F64)

dxi

Koeficient tlumení modelu poruchy

Double (F64)

acl2

Relativní poloha 2. dvojice  2.0

Double (F64)

xicl2

Tlumení 2. dvojice pólů uzavřené smyčky  0.707

Double (F64)

tt

Časová konstanta vysledování  1.0

Double (F64)

hilim

Horní mez akčního zásahu regulátoru  1.0

Double (F64)

lolim

Dolní mez akčního zásahu regulátoru  -1.0

Double (F64)

mb1p

Koeficient přenosu řízeného systému (b1)

Double (F64)

mb0p

Koeficient přenosu řízeného systému (b2)  1.0

Double (F64)

ma1p

Koeficient přenosu řízeného systému (a1)  0.2

Double (F64)

ma0p

Koeficient přenosu řízeného systému (a0)  1.0

Double (F64)

2024 © REX Controls s.r.o., www.rexygen.com